agardio
system monitoringu energii
Czy wiesz, jak połączyć system monitoringu energii w instalacjach ze stacjami ładowania pojazdów?
Optymalizacja zużycia energii
Czy wiesz, że każdego roku ponad 20% kosztów energii jest ponoszonych w ramach opłat za straconą energię? W obecnej sytuacji, wynikającej z rosnących cen energii i w świetle kryzysu energetycznego, jest to zjawisko, którego nie można bagatelizować. Nowe i modernizowane budynki powinny być projektowane i wykonywane w technologiach minimalizujących oddziaływanie na środowisko. Instalacje powinny być przygotowane do zarządzania przez inteligentne systemy sterujące, ale przede wszystkim powinny pozwalać na optymalizację zużycia energii. Dotyczy to również istniejących budynków.
Dyrektywa 2018/844/UE
Już w 2018 roku opublikowano dyrektywę EPBD 2018/844/UE, która miała na celu poprawę jakości energetycznej budynków. Na bazie tej dyrektywy, możemy znaleźć na nowo zdefiniowane określenia dotyczące efektywności energetycznej budynków, a także systemów technicznych budynku. Jeden z artykułów wspomnianej dyrektywy mówi o infrastrukturze, która ma być nieodłącznym elementem budynków wyposażonych w odpowiednią ilość miejsc parkingowych. Przez realizację tego założenia, odpowiednio przygotowana infrastruktura, może zostać wykorzystana np. w celu dekarbonizacji transportu. Szczegółowe wytyczne do realizacji założeń dyrektywy 2018/844/UE przygotowują poszczególne kraje członkowskie – w tym Polska.
Systemy monitorujące
Poprawa efektywności energetycznej wiąże się z systematycznymi przeglądami i działaniami mającymi na celu ciągłą poprawę sytuacji. Jako alternatywę, dopuszczono wyposażenie budynków w systemy, które pozwalają na monitorowanie, rejestrowania i analizowania zużycia energii. Dodatkowymi funkcjami pełnionymi przez systemy monitorujące powinna być możliwość określenia sprawności poszczególnych systemów (np. ogrzewania) w budynku, a także informowanie osoby odpowiedzialnej za dany obiekt w przypadku wykrycia usterek lub konieczności wykonania przeglądu.
Do realizacji tak ambitnych celów firma Hager zaprojektowała narzędzie, które wspiera właścicieli budynków w zarządzaniu energią. Redukcja kosztów, optymalizacja produktywności urządzeń podłączonych do sieci zasilającej, zwiększenie bezpieczeństwa i zapewnienie ciągłości pracy, dzięki uniknięciu nieplanowanych wyłączeń i przerw, a także zmniejszanie śladu węglowego – to główne cele, jakie można osiągnąć z wykorzystaniem systemu agardio.
System agardio
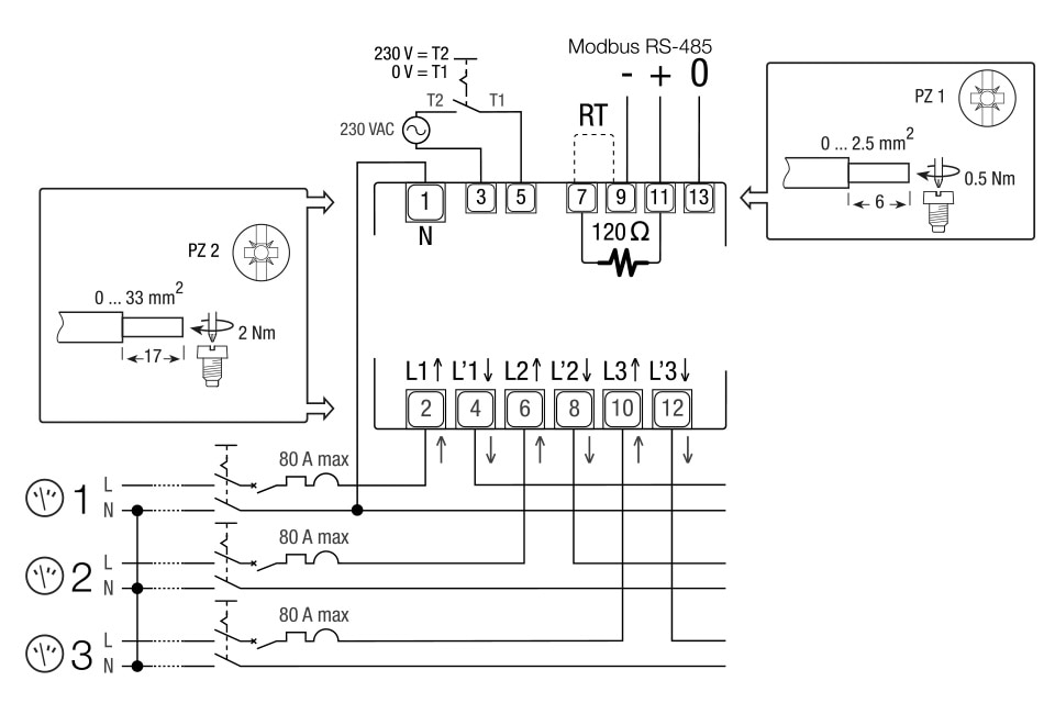
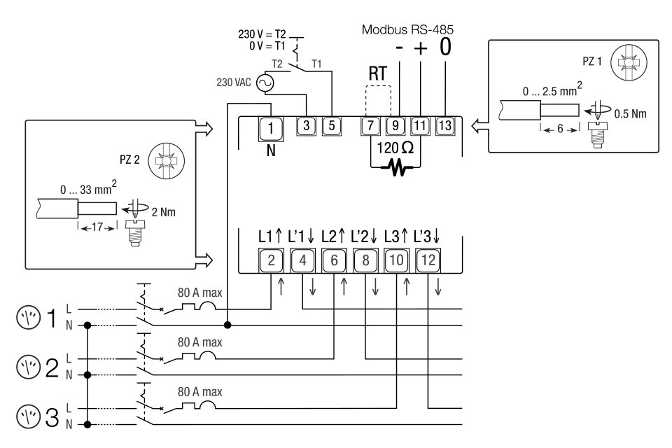
System bazujący na serwerze umożliwia dostęp zdalny do mierzonych i archiwizowanych danych. Dzięki zastosowaniu protokołu komunikacyjnego Modbus (RTU i TCP-IP), system zbiera dane pomiarowe z nawet najdalej położonych miejsc w budynku. Zaprojektowany do pracy, z urządzeniami firmy Hager, dopuszcza użycie produktów firm trzecich. Dane mogą być udostępniane do systemów nadrzędnych BMS z wykorzystaniem protokołu BACnet.
Kompatybilność ze stacjami ładowania
Dzięki funkcjom, zaimplementowanym w serwerze agardio, możemy bez dużych nakładów dodać również stację ładowania, jako odbiornik o szczególnym znaczeniu dla bezpieczeństwa instalacji obiektowej. Należy pamiętać, że stacje ładowania witty pozwalają na ładowanie samochodu elektrycznego z mocą 22kW, co w wielu przypadkach może mieć wpływ na działanie całej instalacji.
Stacja ładowania witty start, jako najmniej zaawansowany model w rodzinie stacji ładowania witty, skonfigurowana na etapie instalacji pozwala na zaprogramowanie scenariusza działania polegającego na częściowym lub całkowitym zmniejszeniu mocy ładowania.

Takie zachowanie jest możliwe do uzyskania po podaniu sygnału na wejście DN Input. Korzystając z odpowiednio skonfigurowanego wejścia możemy uzyskać redukcję prądu pobieranego na potrzeby ładowania z 32A do 13A (dla sieci 3-fazowej).

Użytkownik może wykorzystać tę funkcjonalność i, dzięki odpowiednio sparametryzowanemu alarmowi w serwerze agardio, wymusić zmianę sposobu ładowania samochodu. W sytuacji, gdy serwer stwierdza przekroczenie zdefiniowanego progu mocy, przez wyjście alarmowe, może spowodować zrzut obciążenia przez podanie sygnału na wejście DN w stacji ładowania.

Niezależnie od tego, czy obwody EVCS mają zapewniony zapas mocy i nie wymagają dodatkowego monitoringu, czy musimy reagować na wypadek zbytniego obciążenia instalacji, warto pamiętać o opomiarowaniu samych stacji ładowania. Należy pamiętać, że dzięki zastosowaniu licznika energii w obwodzie zasilającym EVCS (np. ECR180T lub EC), oprócz danych pozwalających na wizualizację wykorzystania energii na potrzeby samochodów elektrycznych, właściciel obiektu zyskuje więcej cennych informacji. W przypadku braku miejsca w rozdzielnicy zasilającej - montaż takiego licznika jest również możliwy wewnątrz stacji ładowania witty start (XEV1K11T2).
Jedną z informacji jest sygnał o nadmiernym obciążeniu tylko jednej fazy, co może wystąpić w sytuacji, gdy zostaną podłączone samochody elektryczne z zabudowanymi prostownikami jednofazowymi (np. PHEV). Po zauważeniu takiego zdarzenia, osoba zarządzająca budynkiem może świadomie skorzystać z możliwości przekonfigurowania kolejności faz w samej stacji ładowania witty i bez ingerencji w instalację elektryczną poprawić komfort i bezpieczeństwo użytkowników EVCS.

Parametr pozwalający na zmianę:


Podsumowanie
System agardio pozwala na:
- podłączenie do urządzeń różnych producentów za pośrednictwem Modbus,
- pozyskanie danych z wyłączników (MCCB i ACB), wielofunkcyjnych urządzeń pomiarowych, liczników energii i nie tylko.
W sposób transparentny pokazuje:
- rejestrowanie zużycia energii w czasie rzeczywistym i w ramach danych historycznych,
- trendy, krzywe miesięczne lub szczytowe dzienne,
- wykorzystanie energii z różnych źródeł w tym PV,
- klasy EIEC.